| Surface | Détecteur de mouvement |
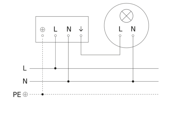
| Alimentation électrique | 220 – 240 V / 50 – 60 Hz |
| Réglages via | Potentiomètres Bluetooth |
| Avec télécommande | Non |
| Dimensions (L x l x H) | 120 x 117 x 120 mm |
| Technologie de détection | iHF (technologie de détection à hyperfréquence intelligente) |
| Puissance d'émission | < 1 mW |
| Technique HF | 5,8 GHz |
| Mise en réseau possible | Oui |
| Type de la mise en réseau | Maître/maître |
| Mise en réseau via | Câble Bluetooth |
| Emplacement | Extérieur |
| Emplacement, pièce | extérieur entrée tout autour du bâtiment terrasse / balcon Cour et allée |
| Lieu d'installation | mur |
| Type de montage | En saillie |
| Hauteur de montage | 1,80 – 2,00 m |
| Hauteur de montage optimale | 1,8 m |
| Hauteur de montage max. | 2,00 m |
| Avec détecteur de mouvement | Oui |
| Angle de détection | 160 ° |
| Angle d'ouverture | 100 ° |
| Protection au ras du mur | Oui |
| Possibilité de neutraliser la détection par segments | Oui |
| Cadrage électronique | Oui |
| Cadrage mécanique | Non |
| Détails portée | zone de détection réglable sur 3 axes |
| Portée radiale | r = 5 m (35 m²) |
| Portée tangentielle rayon | r = 5 m (35 m²) |
| Interrupteur crépusculaire | Oui |
| Réglage de la crépuscularité | 2 – 2000 lx |
| Réglage du seuil de déclenchement Teach (apprentissage) | Oui |
| Réglage de l'heure | 5 s – 60 Min. |
| Éclairage principal réglable | Non |
| Fonction balisage | Non |
| Fonctions | Mode normal / mode test Manuel ON / ON-OFF |
| Allumage en douceur | Non |
| Éclairage permanent | commutable, 4 h |
| Réglage de l'éclairage permanent | Non |
| Sortie de commutation 1, charge ohmique | 2000 W |
| Indice de protection | IP54 |
| Température ambiante | de -20 jusqu'à 50 °C |
| Matériau | Matière plastique |
| Matériau du boîtier | Matière plastique |
| Coloris | blanc |
| Couleur, RAL | 9010 |
| Garantie du fabricant | 5 ans |
| Support mural d'angle inclus | Non |
montrer toutes les données














